Heavy duty Grommet Retained / Receptacle
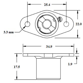
This Turnlock part HGRRAEC33A is an adjustable encapsulated receptacle. It is catagorized as a type A receptacle.
Details of HGRRAEC33S
- Material
- Stainless Steel
- Max. Working Temp.
- 200 °C
- Type
- Receptacle
TurnLock can offer you this part HGRRAEC33S with Certificate of Quality, Certificate of Conformity and Certificate of Origin on request. TurnLock is offering part HGRRAEC33S as factory new.
We respond within 2 hours.
We can supply HGRRAEC33S as factory new.
We can provide HGRRAEC33S with certificate of conformity.
Heavy duty Grommet Retained
Receptacle