How to Select your Receptacle
When selecting a Turnlock quarter turn, it all starts by selecting the Receptacle for your application.
Most common fixation of receptacles is with Rivets, it requires access to the back of the panel, in order to install the receptacle.
LMH Series (Light Duty)


MTHR Series

MTHRLW26Z MTHR25BZ MTHR33BZ MTHRN25BZ MTHRE25BZ
Please note that it exist also special form of receptacles, please consult us:
-
Riveting or mounting with a screw: the standard size is diameter 2,5mm.
-
Optional larger hole size, but at higher pricing.
-
Countersunk hole, to have a flush installation.
HGRTL Series

HGRRTF33BZ HGRRTFE33BZ HGRRTF33BZY HGRRTF33S
HHSTL Series

HHSRF33Z HHSRF41Z HHSRF33S HHSRF41Z
MHSRF Seire


Receptacle that are threaded in
MPP series, requires a thread of M12x1 (typically installed in blind holes), requiring a minimum depth of 23mm thread.

MTHR, MTHW and MTHF series (medium duty) (NOT RECOMMENDED as it has a very special thread, tapping it is at a High cost)
OPEN TYPE:

CLOSED TYPE:
Only Closed against dust, and not air or water tight

Receptacles that require a square hole in your panel:
LEARS Light Duty
LEARS1020Z and LEARS2130Z


LPTR Series (Light Duty) square hole of 9,4mm
LPTR5-10S,LPTR10-15S,LPTR15-20S, LPTR20-25S


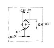
MPTR Series Square Hole of 13,5mm

Receptacles that require a round hole
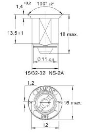
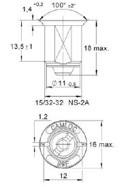
MTHR, MTHW and MTHF Series (medium duty)
Receptacle MTHRTZZ to be used together with a nut MTHNZ


MTHRTEZZ (closed type = (only closed against dust, not air or water tight) to be used together with a nut MTHNZ


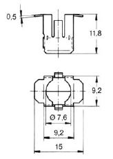
MPP Series Medium Duty
Receptacle MPPRZZ - to be used together with Nut MPPNZ (hole size diameter of 12,3mm)

Receptacles mounted on the side of a panel (require just a hole too)
LEARS Series Light Duty: LEARC0856Z


HHSTL Series Heavy Duty

No Receptacle used
Both panels will have to be prepared to fit the stud. one of the panels will be acting as Receptacle
LOPH series (Light Duty)


LOPM series (Light Duty) is custom made and very small sized: for electronics market.

MWNF Series

MSHF series

Receptacles to Weld:

MTHRFWS
MHTLS series Medium Duty:

MHSRFWZ MHSRFWB
HHSTL Series Heavy Duty

HHSRFWZ