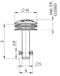
What is the new tamper proof stud of the MHS series?

The new part number for the tamper proof stud of the MHS-series is MHSTLT-*S

The old part number was 50E11-*BP

Part MHSTLT-*S is fully interchangeable with e 50E11-*BP

You can find below a list of the part numbers:

Old part number Turnlock part number Old part number Turnlock part number
50E11-2BP MHSTLT-2S 50E11-3BP MHSTLT-3S
50E11-4BP MHSTLT-4S 50E11-5BP MHSTLT-5S
50E11-6BP MHSTLT-6S 50E11-7BP MHSTLT-7S
50E11-2BP MHSTLT-2S 50E11-9BP MHSTLT-9S
50E11-10BP MHSTLT-10S 50E11-11BP MHSTLT-11S
50E11-12BP MHSTLT-12S 50E11-13BP MHSTLT-13S
50E11-14BP MHSTLT-14S 50E11-15BP MHSTLT-15S
50E11-16BP MHSTLT-16S 50E11-17BP MHSTLT-17S
50E11-18BP MHSTLT-18S 50E11-19BP MHSTLT-19S
50E11-20BP MHSTLT-20S 50E11-21BP MHSTLT-21S
50E11-22BP MHSTLT-22S 50E11-23BP MHSTLT-23S
50E11-24BP MHSTLT-24S 50E11-25BP MHSTLT-25S
50E11-26BP MHSTLT-26S 50E11-27BP MHSTLT-27S
50E11-28BP MHSTLT-28S 50E11-23BP MHSTLT-23S
50E11-29BP MHSTLT-29S 50E11-30BP MHSTLT-30S
50E31-31BP MHSTLT-31S 50E11-32BP MHSTLT-32S
50E11-33BP MHSTLT-33S 50E11-34BP MHSTLT-34S
50E11-35BP MHSTLT-35S 50E11-36BP MHSTLT-36S
50E11-37BP MHSTLT-37S 50E11-38BP MHSTLT-38S
50E11-39BP MHSTLT-39S 50E11-40BP MHSTLT-40S
50E11-41BP MHSTLT-41S 50E11-42BP MHSTLT-42S
50E11-43BP MHSTLT-43S 50E11-44BP MHSTLT-44S
50E11-45BP MHSTLT-45S 50E11-46BP MHSTLT-46S
50E11-47BP MHSTLT-47S 50E11-48BP MHSTLT-48S
50E11-49BP MHSTLT-49S 50E11-50BP MHSTLT-50S
50E11-51BP MHSTLT-51S 50E11-52BP MHSTLT-52S
50E11-53BP MHSTLT-53S 50E11-54BP MHSTLT-54S
50E11-55BP MHSTLT-55S 50E11-56BP MHSTLT-56S
50E11-57BP MHSTLT-57S 50E11-58BP MHSTLT-58S
50E11-59BP MHSTLT-59S 50E11-60BP MHSTLT-60S
50E11-61BP MHSTLT-61S 50E11-62BP MHSTLT-62S
50E11-63BP MHSTLT-63S 50E11-64BP MHSTLT-64S
50E11-65BP MHSTLT-65S 50E11-66BP MHSTLT-62S
50E11-67BP MHSTLT-67S 50E11-68BP MHSTLT-68S

Prev/Next